Регулируемый транец Trim 55-0055 – это удобный инструмент для корректировки угла наклона подвесного мотора с поста управления судном. Устройство обеспечивает более легкий выход на глиссирование, простое управление дифферентом лодки на ходу, вы сможете ходить по мелководью, а так же полностью поднимать двигатель при швартовке. Рассчитан для совместной работы с двигателями мощностью от 9.9 до 55 л.с и весом до 110 кг. Рама транца выполнена из литого алюминия с ребрами жесткости, которые равномерно распределяют нагрузку по всей поверхности транца. Сезонное обслуживание: проверка целостности электрических соединений, проводки, смазка редуктора через пресс-масленку.
| Грузоподьемность, кг | 110 |
| Макс. мощность мотора, л.с | 55 |
| Вес, кг | 11 |
| Материал | Алюминий |
| Комплектация | блок реле, электрические провода 3.6 метра, блок кнопок управления, крепежный комплект. |
| Диапазон изменения | Подъем и опускание двигателя |
| Способ управления | Электрический привод |
Гарантия 1 год.
ПЕРЕД НАЧАЛОМ УСТАНОВКИ ТРАНЦА TRIMM
Поскольку установка на каждой лодке по-своему уникальна, следует на месте определиться, какой крепеж потребуется. В любом случае рекомендуется использовать надежные болты из нержавеющей стали Ø 14,0мм.
Для моторов с болтовым креплением на транце потребуется два комплекта болтов, гаек и шайб – один для крепления опорной рамы подъемника к лодке, другой - для крепления мотора к раме подъемника. Если мотор уже навешен, его крепежные болты можно вновь использовать для крепления рамы подъемника к транцу лодки. При этом убедитесь, что используются только высококачественные болты из нержавеющей стали в неповрежденном состоянии.
Если мотор крепится струбцинами, потребуется лишь один комплект болтов Ø 14,0мм с шайбами и гайками для установки рамы на транце; разумеется, нельзя забыть о страховочных болтах.
Как определить длину болтов крепления к транцу?
Поскольку все транцы разные, потребуется самостоятельно определить нужную длину крепежных болтов. Если под болты будут высверлены отверстия, можно определить толщину транца по длине отверстия: нужно просто к толщине транца добавить 5 см.
Как определить длину болтов крепления мотора к подъемнику?
Чтобы определить правильно длину болтов для крепления мотора, следует измерить толщину рамы крепления мотора и добавить 2,5 см.
Обеспечить достаточную длину соединительных муфт и кабелей
Рама подъемника удаляет подвесной мотор лодки от органов управления, аккумуляторов и топливного бака на 17,5 см. Прежде установки рамы подъемника следует обеспечить необходимую слабину соответствующих соединительных муфт и кабелей. Проще всего проверить это так: опереть мотор на временную опору – на подставку-держатель и открепить крепежную струбцину или крепежные болты. Отодвинуть мотор от транца на 18 см, не отсоединяя соединительные муфты и кабели.
Примечание: Увеличение расстояния между корпусом лодки и подвесным мотором повышает эффективность двигательной установки в целом. Поскольку винт удаляется от транца, в зоне работы винта турбулентность воды будет меньше, что улучшает условия его работы.
УСТАНОВКА РАМЫ ПОДЪЕМНИКА
Рама подъемника имеет предварительно высверленные крепежные отверстия по принятой в промышленности стандартной схеме. Если транец лодки уже имеет соответствующие высверленные отверстия, переходите к шагу 4 ниже на этой странице. Если отверстий нет, выполните следующие действия:
1. Разместить шаблон относительно центральной линии транца. Проекции отверстий не должны совпадать с имеющимися на транце молдингами, ребрами и т.п.
2. Правильно расположив шаблон, укрепите его и накерните центры высверливаемых отверстий.
3. Сверлом Ø 5,0мм высверлить направляющее отверстие в каждом размеченном месте, обеспечив их соосность и отсутствие помех установке в отверстия крепежных болтов. Рассверлить отверстия сверлом Ø 14,0мм.
4. Перед установкой рамы, нанести кольцом полоску силиконового герметика типа RTV вокруг каждого отверстия для его герметизации.
5. Для крепления рамы подъемника к транцу следует использовать 4 (четыре) болта Ø 14,0мм из нержавеющей стали с комплектными шайбами и гайками с капроновой втулкой. Сначала завести болты с шайбами в оба верхних отверстия. Скотчем прихватить головки болтов для удержания их на месте, поднять раму на транец, и, совместив отверстия с болтами, надеть раму на болты. Завести на болты изнутри лодки шайбы и гайки. Гайки затягивать полностью не следует до установки нижних болтов.
Примечание: Чтобы обеспечить больше свободного места для установки крепежных болтов, можно временно подключить аккумулятор и раздвинуть раму подъемника в рабочее положение. Это облегчит установку верхних болтов.
6. Завершается установка вводом в отверстия двух нижних крепежных болтов с укреплением их капроновыми гайками с шайбами. Полностью затянуть каждый болт, стараясь не повредить транец или раму подъемника.
Болтовое крепление мотора
1. Рама имеет отверстия, подходящие для большинства плит болтового крепления подвесных моторов.
2. Прикрепить плиту мотора к раме подъемника с помощью 4 (четырех) болтов Ø 14,0мм из нержавеющей стали подходящей длины, надев шайбы с обеих сторон каждого болта. Все болты закрепить гайками с нейлоновыми втулками туго, но стараясь не сорвать болты и гайки.
3. Если расположение отверстий в крепежной плите мотора не соответствует принятой в промышленности стандартной схеме расположения крепежных болтов, можно высверлить дополнительные отверстия в плите, чтобы укрепить на раме подъемника крепежную плиту мотора.
Накладка на транец TRIM
1. Из деревянного бруска сечением 5x7,5 см вырезать плашку длиной около 28 см.
2. Приложить деревянную плашку изнутри к опорной плите мотора и удерживать ее на месте, «надевая» мотор сверху на раму подъемника.
3. Оставляя примерно 15 мм зазора, затянуть зажим струбцины.
4. Прежде завершения установки подъемника, следует на малой скорости полностью раздвинуть раму подъемника с мотором, чтобы проверить, не мешают ли зажимы или ручки струбцины движению рамы. В противном случае следует переустановить мотор.
5. Установить предохранительные болты для струбцины, для чего высверлить монтажные отверстия в струбцине крепления, которые должны соответствовать по расположению и по размеру отверстиям под предохранительные болты в зажимах креплений подвесного мотора.
Кроме того, на ручки струбцин рекомендуется накинуть петли из шнура, чтобы они не потерялись случайно на ходу, если ослабнут от вибрации.
ВОЗДУХОЗАБОРНАЯ ТРУБКА
Толкатель подвесного мотора совершенно безопасен в использовании. Толкатель, оснащенный воздухозаборной трубкой - точное механическое устройство, предназначенное для подъема и опускания рамы с укрепленным мотором. НЕЛЬЗЯ допускать попадания воды в воздухозаборную рубку, поэтому лучше всего всасывающий конец этой трубки разместить под капотом мотора.
1. Снять капот подвесного мотора.
2. Пропустить всас воздухозаборной трубки через отверстие в раме мотора, для чего, при необходимости, высверлить в раме отверстие диаметром 9,5 мм.
3. Следует обеспечить необходимую слабину длины трубки для свободного движения мотора. Укрепить трубку под капотом следует так, чтобы она не мешала движущимся узлам мотора. Всас трубки следует укрепить хомутами вертикально так, чтобы исключить любую возможность случайного попадания в него воды.
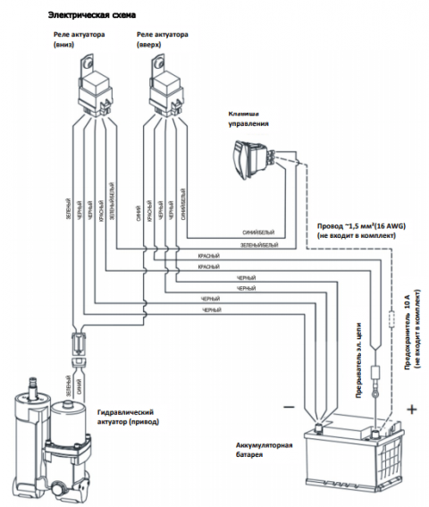
ЭЛЕКТРИЧЕСКИЕ СОЕДИНЕНИЯ
Подъемник рассчитан на работу от обычного лодочного аккумулятора напряжением в 12В и не требует отдельного аккумулятора. Порядок подключения подъемника к основному аккумулятору показан ниже:
1. Комплектными шурупами укрепить электрическую распределительную коробку внутри лодки.
2. Нажимной выключатель укрепить следует в удобном месте установить поближе к сиденью водителя. На моторе с румпелем, выключатель подъемника следует прикрепить к румпелю хомутами или изолентой.
3. Провести три проводника от выключателя сбоку дистанционного управления, а два проводника от этой коробки - к раме подъемника.
4. На разъемы нанести немного диэлектрической смазки и соединить их (эти разъемы рекомендуется обмотать водоотталкивающей изолентой или заключить в пластиковую трубку).
5. Соединив все контакты и провода, кольцевые контакты подключить к аккумулятору: красный проводник – к плюсовой, черный – к минусовой клемме.
6. Включить подъемник на поднятие и опускание мотора, чтобы проверить наличие достаточной слабины электрических проводников, после чего укрепить проводники комплектными хомутами, чтобы они не были зажаты подвижными частями подъемника при его работе.
СОВЕТЫ ПО ИСПОЛЬЗОВАНИЮ
При надлежащем пользовании и уходе подъемник будет служить долгие годы. Есть две основных причины неисправностей, в отношении которых следует соблюдать следующие меры предосторожности.
1.Перевозка
Толкатель подъемника - это точное электромеханические изделие, способное развивать усилие до 22 кН для управления углом навески мощного подвесного мотора. Шариковая винтовая передача толкателя гарантирует, что в сложенном состоянии он никогда самопроизвольно не «сложится».
Тем не менее, как и оригинальный механизм навески мотора, этот подъемник не рассчитан на поддержание мотора при транспортировке лодки. Перевозка на прицепе может создать значительные усилия на корму лодки, повредить механизм подъемника и сам подвесной мотор. Поэтому при перевозке мотор должен быть в крайнем нижнем положении или его нужно укрепить дополнительными зажимами
2.Проникновение воды
Как было сказано на предыдущей странице, трубку воздухозаборника следует укрепить под капотом мотора для предотвращения случайного попадания в нее воды. Попадание воды в толкатель выведет его из строя. Рекомендуется периодически осматривать крепление трубки воздухозаборника, чтобы она оставалась в сухом месте.
ПРИМЕЧАНИЕ: ПОВРЕЖДЕНИЯ, ПОЛУЧЕННЫЕ ОТ НЕПРАВИЛЬНО ВЫПОЛНЕННОЙ ПЕРЕВОЗКИ, ОТ ПОПАДАНИЯ ВОДЫ В ТРУБКУ ВОЗДУХОЗАБОРНИКА ГАРАНТИЙНЫМИ ОБЯЗАТЕЛЬСТВАМИ НЕ ПОКРЫВАЮТСЯ. ОБЯЗАННОСТЬ ВЫПОЛНЕНИЯ ПЕРЕЧИСЛЕННЫХ ПРОЦЕДУР ВОЗЛАГАЕТСЯ НА ПОЛЬЗОВАТЕЛЯ МОТОРА.
ОБСЛУЖИВАНИЕ
1. Электрические соединения
Периодически, не реже одного раза в сезон, проверяйте электрические контакты. При необходимости, их следует зачищать и вновь наносить диэлектрическую пасту для защиты контактов от коррозии.
2. Эксплуатация в соленой воде
Подъемник изготовлен из высококачественного алюминиевого сплава с крепежом из нержавеющей стали, что позволяет использовать его практически на любых водоемах. Однако, именно при пользовании в соленой воде для борьбы с коррозией следует установить цинковый анод. Чтобы редотвратить преждевременное обесцвечивание и коррозию деталей, прежде всего, в соленой и грязной воде, следует периодически промывать подъемник пресной водой.
3. Пополнение смазки
Редуктор толкателя заполнен смазкой на заводе. В начале каждого сезона следует смазать толкатель качественной смазкой для морской воды. Верхний штуцер для смазки находится на креплениях корпуса редуктора. В зависимости от интенсивности пользования, в середине сезона может потребоваться добавить 3-4 качка шприца смазки. ЕДИНОВРЕМЕННО НЕ СЛЕДУЕТ ВВОДИТЬ БОЛЕЕ 4 КАЧКОВ ШПРИЦА. Еще один штуцер для ввода смазки расположен на длинном внешнем цилиндре. Удалить винт-заглушку и добавить смазку при необходимости. НЕ СЛЕДУЕТ в этот штуцер вводить слишком много смазки. Рекомендуется смазка «Texaco Starplex Grade 2».
4. Подготовка к длительному хранению или к зиме
Собираясь поставить лодку на длительное хранение или на зимний период, важно подготовить к длительному хранению и подъемник, для чего следует выполнить несколько несложных операций.
1. Снять винт-заглушку на длинном внешнем цилиндре подъемника и впрыснуть в цилиндр аэрозольную смазку для работы в морской воде.
2. Установить заглушку на место.
3. Перед началом сезона снять винт-заглушку и добавить качественную смазку для работы в морской воде. Затем нанести на резьбу винта-заглушки отверждаемый на воздухе силиконовый герметик и аккуратно затянуть.
Минимальная сумма заказа в нашем интернет-магазине 500 рублей.
Стоимость доставки НЕ входит в стоимость товара и рассчитывается индивидуально для каждого заказа.
Самовывоз
Самовывоз осуществляется БЕСПЛАТНО по адресу г. Санкт-Петербург ул. Крупской д. 38А 
Со схемой проезда можно ознакомится, перейдя по ссылке.
Доставка по Санкт-Петербургу
По Санкт-Петербургу (в пределах малого кольца) доставка заказов до двери - 600 рублей. 
Доставка в пункты выдачи СДЭК по г. Санкт-Петербургу рассчитывается по калькулятору тк "СДЭК" вес и габариты отправления сообщит менеджер после получения заказа. 
Способы доставки по России
У нас Вы сможете выбрать наиболее подходящий способ доставки:
- Доставка до пункта выдачи СДЭК, а так же курьерская служба до двери

- Почтовым отправлением

- Транспортной компанией на Ваш вкус
при отправке транспортной компанией доставка от магазина до терминала составит 500 рублей. - Мы готовы рассмотреть любой другой вариант доставки заказанного товара!
После получения заказа наши менеджеры изучат Ваш заказ, проверят наличие, подберут наиболее подходящие и не дорогие способы доставки. Затем мы свяжемся с Вами для подтверждения и согласования способа оплаты, оптимальных условий и сроков доставки. При достижении взаимной договоренности, Вам будет направлен счет и накладная на заказанный товар с учетом расходов по доставке или без учета в случае, если доставка оплачивается при получении товара. После получения нами подтверждения об оплате выставленного счета, товар будет отправлен в течение пяти рабочих дней. О точной дате отправки Вам будет сообщено нашим сотрудником дополнительно. В случае отправки заказа наложенным платежом посылка комплектуется, как правило, от одного до трех рабочих дней.
Способы оплаты
Наш магазин предоставляет на выбор несколько способов оплаты заказа. Оплачивать заказ можно только после подтверждения товара на наличие и перехода заказа в статус "к оплате".
- Способ оплаты наличными при получении на почте, курьером и самовывозе

- Способ оплаты по счету на реквизиты компании

- Способ оплаты онлайн через платежную систему
Здесь Вы сможете произвести оплату и банковской картой и электронными деньгами, в личном кабинете появится ссылка на оплату.

- Способ оплаты через приложение
Сбербанка на Вашем мобильном устройстве.
Запустить приложение "Сбербанк Онлайн", зайти в раздел платежи и выбрать пункт "Платеж по реквизитам". Ввести ИНН 7811461005 или название компании "Профиснасть" нажать "продолжить" и затем выбрать нашу компанию "Профиснасть". Далее вы заполняете Ваши данные (ФИО, адрес, номер и сумма заказа).

- Заказы на сумму до 3500р. могут быть отправлены Почтой России или EMS Почтой наложенным платежом (оплата заказа и доставки при получение посылки)
- Товар на общую сумму более 3500р отправляется по предоплате (по Вашему желанию Вы можете оплатить только товар, а доставку оплатить на почте при получении посылки, либо оплатить сразу товар с доставкой).
При отправке посылок в отдаленные регионы России дополнительно взымается тариф за АВИА-пересылку и труднодоступность, что существенно удорожает стоимость доставки. Пожалуйста, учитывайте это при выборе оптимального способа доставки товара. Стоимость пересылки наземным транспортом Вы можете рассчитать, используя специальный калькулятор:
2. Доставка EMS Почтой России
Доставка тяжеловесных отправлений и посылок в отдаленные регионы РФ EMS Почтой зачастую выходит дешевле, чем обычной посылкой. Кроме того, сроки доставки EMS Почтой существенно короче, чем простой Почтой. Рассчитать стоимость и сроки доставки ЕМС-Почтой, а также отслеживать путь Вашего отправления Вы можете здесь:
3. Доставка транспортными компаниями
Крупногабаритные и тяжеловесные товары (например, лодки, моторы) мы отправляем только транспортными компаниями по предоплате товара. Доставку Вы оплачиваете при получении в офисе транспортной компании. Мы работаем с любыми ТК, офисы которых есть в Санкт-Петербурге. Стоимость доставки товара до склада транспортной компании в СПб - 500р., включена в счет на оплату заказа. Ниже приведены калькуляторы доставки наиболее популярных транспортных компаний:






































